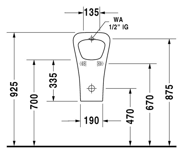
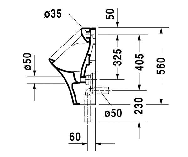
型号 280430 隐蔽式进水, 虹吸式, 垂直出水或水平出水, 包含配件 Matteo Thun & Antonio Rodriguez 设计 尺寸 300 x 340 mm 可变形式 无防溅图标 2804300000 带防溅图标 2804300007