型号 252959
无缝冲水, 水封在后, 包括 Durafix 配件包, 仅能够与SensoWash®搭配使用, 连接组件适用于带隐藏式连接件的 SensoWash®
了解更多
Philippe Starck 设计
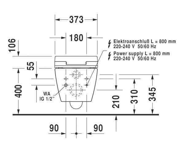
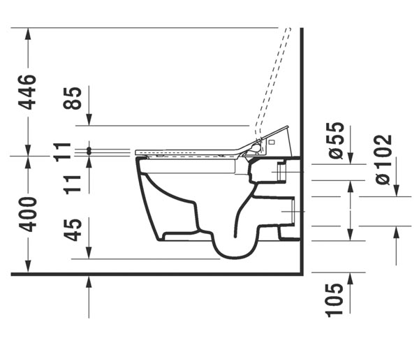
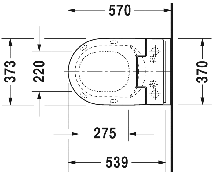
尺寸
370 x 570 mm
可变形式
©
4.5 升 2529590000